Please ensure Javascript is enabled for purposes of website accessibility

Lot #3018
Apple Lisa (5) Early Developer Schematics with Final Draft 'LISA Hardware Manual' from 1982

 
This lot has closed

Sold For $4,441

*Includes Buyers Premium

Estimate: $2000+
Sell a Similar Item?
Refer Collections and Get Paid
Share:  

Description

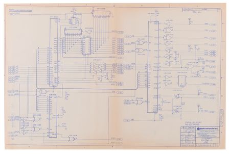
Rare collection of early developer materials related to the Apple Lisa desktop computer, which includes a 5-sheet Apple Computer schematic packet from early 1982 for “Schematic System I/O LISA,” and an original final draft “LISA Hardware Manual” from September 7, 1982, which is accompanied by a ‘Device Drivers Manual’ and an early reference manual for the computer’s Pascal programming language.

The schematics, all 17 x 11, each feature an Apple Computer, Inc. legend to the lower right, which lists the division as “P.O.S.,” an April 1982 finish date, and the drawing number as “050-4008-B,” with sheets 2 through 5 identified as “I/O Decoders, Keyboard / Mouse Interface / To D Clock,” “Parallel Port, RS-232 Ports,” “Lisa Floppy Disk Controller,” and “Analog Circuits.” The first sheet, which is stamped “Apple Computer Confidential,” features an additional legend to the upper right, identifying the packet as Revision B from June 1982.

The final draft “LISA Hardware Manual,” 260 pages, 8.5 x 11, September 7, 1982, prepared for Forrest Warthman and Associates by D. Berry, contains two sections and 11 chapters: System Architecture, System Programming, System Layout, The Processor Board, The Memory Boards, The I/O Board, The Video Board, Operator Interfaces, Floppy Disk Drives, Power Supply, and System Assemblies. Accompaniments include: an ‘Alpha draft’ for a ‘Device Drivers Manual’ from October 1983, with chapters for “Overview of the Driver Environment,” “How the OS Supports Device Drivers,” “File System and Operating System Requirements,” “Configuration Requirements,” and “How to Make a Device Driver”; and a “Pascal Reference Manual for the Lisa” from 1983, which contains chapters for “Tokens and Constants,” “Blocks, Locality, and Scope,” “Data Types,” “Variables,” “Expressions,” “Statements,” “Procedures and Functions,” “Programs,” “Units,” “Input/Output,” “Standard Procedures and Functions,” and “The Compiler.” Both manuals are housed in an original binder for “The Controller: General Business System,” small business management and accounting software issued by Apple Computer and the Dakin5 Corporation in 1979 for the Apple II personal computer. In overall fine condition, with vertical folds to the schematics and some staining to binder and its opening pages.

Auction Info