Please ensure Javascript is enabled for purposes of website accessibility

Lot #3246
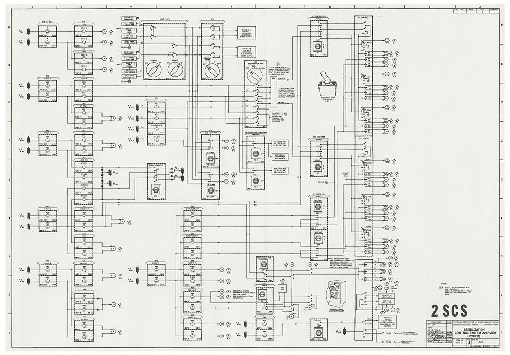
Richard Gordon's Apollo 12 Flown CSM Stabilization Control System Schematic

This lot has closed

Sold For $1,880

*Includes Buyers Premium

Estimate: $1500+
Sell a Similar Item?
Refer Collections and Get Paid
Share:  

Description

Richard Gordon’s flown Apollo 12 CSM schematic for the ‘Stabilization Control System Overview,’ 22.5 x 10.5, signed and flight-certified in the blank first panel in black ballpoint, "Flown to the moon on Apollo 12, Richard Gordon CMP." The schematic bears an affixed tab on the right edge, "SCS Overview (PWR)," and diagrams the flow of the SCS, in relation to the Electrical Power System and Body-Mounted Attitude Gyro, which terminate at the Rotational and Translational Hand Controllers. In fine condition. Accompanied by a photo of Gordon holding the schematic, and by a certificate of authenticity from Moonpans, which states: "This large 2-fold schematic?was flown to the moon on Apollo 12?as part of the Apollo 12 CSM Systems Data Checklist. The Schematic comes from the personal collection of Apollo 12 Command Module Pilot, Dick Gordon." The Stabilization and Control System provides a capability for monitoring and controlling the attitude of the spacecraft, for translational maneuvers, and SPS thrust vector control. The SCS also serves as the backup system for the Primary Guidance, Navigation and Control System (PGNCS), which is essentially the Apollo Guidance Computer.

Auction Info

  • Auction Title: Space
  • Dates: #607 - Ended 04/22/2021